Our Products

Handrails

Handrails

ERA offers a cost-effective Ready-Fix Handrails system that are widely used to guard platforms, stairways, walkways, towers, danger zones and other areas where safety is of prime concern.

These modular systems are preferred not only because they helps save time during installation and labour costs but also because they help ensure maximum safety by avoiding welding at site and control on wastage.

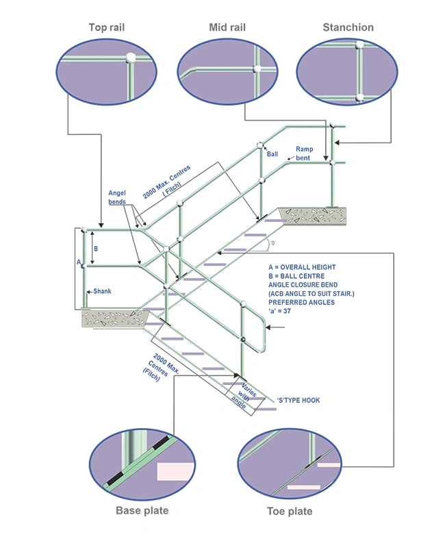
ERA's Ready fix handrail systems offer a complete package consisting of standard and customized handrails. The package is delivered with necessary bends and joints duly marked to ensure quick and easy installation.

ERA's handrail systems are available in Mild Steel and Stainless Steel with standard finish such as self colour, painted, galvanized and powder coated.

eraarabia

Ready Fix Handrail

  • Tubural Handrail System
  • Factory Welded Handrails
  • Safety Gates
  • Chain Rail
  • Solid Forged Handrail System
eraarabia

FTP Handrail

  • Fiberglass handrail systems
eraarabia

ISO Certifications

  • era
  • era
  • era

We are happy to provide more information about our products and services!

Contact Us

© 2026 ERA International All rights reserved. Powered by Phitany, Web designing agency